Pripojenie elektrického otvárania dverí pre videovrátnik DS-KIS202, DS-KIS101-P, DS-KIS603-P, DS-KIS604-S, DS-KIS703-P Hikvision

Správa z dňa: 16-11-2020

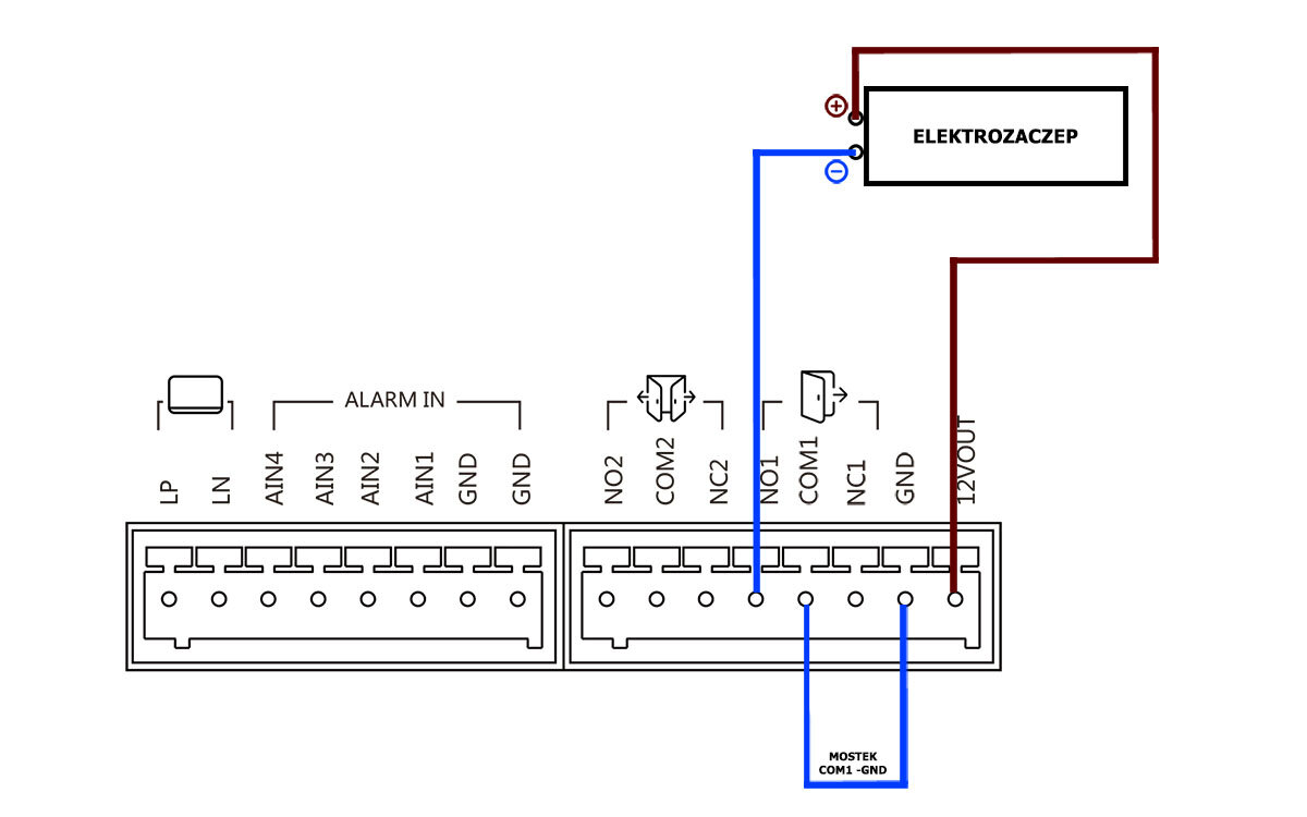
Pripojenie elektrického otvárania dverí:

Videointercom DS-KIS202:

Videodohovor DS-KIS101-P (napájanie otvárača dverí z elektrickej siete):

Videodohovor DS-KIS101-P (napájanie otvárača dverí z vonkajšieho panelu):


DS-KIS703-P videointerkom:



DS-KIS603-P videointerkom



DS-KIS604-S videointerkom





Ostatné záznamy



Zóna značiek

Naše odporúčania